Please contact us in time
infо@сitichl.соm +86-0379 64087499 Online MessageSingle Rope Mine Hoist

Application
This series of products are used in coal mines, metal mines and non-metal mine lifters, minerals, lifting personnel and decentralized materials or equipment, etc., and can also be used for other traction transportation.
Working principle
The motor passes the power to the coil of the winding wire rope through the reducer to achieve the lifting and lowering of the container; slow down by electric transmission; disc brakes are controlled by hydraulic and electrical controls; the depth indication of the container is realized through the position indication system; Through various sensors and control elements composed of machine, electricity, liquid joint control system to achieve the monitoring and protection of the entire machine; through computer and network technology, information transmission inside and outside the hoist is realized.

1. Sheave
2. Steel rope
3. Containers
4. Tail
5. Spindle device
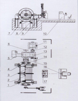
Working principle of single rope mine hoist spindle device
1. Rope adjusting device 
2. Main shaft
3. Roll
4. Main bearing shaft
5. Lubrication station
6. Disk depth indicator transmission
7. Lock Brake
8. Disc Brake
9. Square depth indicator
10. Bevel console
11. Motor
12. Spring coupling
13. Reducer
14. Speed measuring generator unit
15. Gear coupling
16. Disk depth indicator
17. Hydraulic stations
Complete supply range
Main machine, sheave device, Different forms of consoles, depth indicator, hydraulic station, lubrication station; electric drag and control system, information transmission system; At request of users, Other specifications can be produced to meet the needs of users.
JK Series Single-rope Mine Hoist Technical Parameter Table
Model |
Drum |
Tension |
Tension |
Rope |
Lift height (m) |
Max |
Reduce |
Motor |
|||||
No. |
Dia |
Width |
1-layer |
2-layer |
3-layer |
||||||||
m |
KN |
mm |
m |
m/s |
r/min |
||||||||
JK-2×1.5 |
1 |
2.0 |
1.5 |
62 |
24 |
305 |
650 |
1025 |
5.2 |
20.0 |
1000 |
||
JK-2×1.5 |
31.5 |
||||||||||||
JK-2×1.8 |
1.80 |
375 |
797 |
1246 |
20.0 |
||||||||
JK-2×1.8 |
31.5 |
||||||||||||
JK-2.5×2 |
2.5 |
2.00 |
83 |
28 |
448 |
945 |
1475 |
5.0 |
20.0 |
750 |
|||
JK-2.5×2 |
31.5 |
||||||||||||
JK-2.5×2.3 |
2.30 |
525 |
1100 |
1712 |
20.0 |
||||||||
JK-2.5×2.3 |
31.5 |
||||||||||||
JK-3×2.2 |
3.0 |
2.20 |
135 |
36 |
458 |
966 |
1513 |
6.0 |
20.0 |
||||
2JK-2×1 |
2 |
2.0 |
1.00 |
62 |
40 |
24 |
182 |
406 |
652 |
7.0 |
11.2 |
||
2JK-2×1 |
20.0 |
||||||||||||
2JK-2×1 |
31.5 |
||||||||||||
2JK-2×1.25 |
1.25 |
242 |
528 |
838 |
11.2 |
||||||||
2JK-2×1.25 |
20.0 |
||||||||||||
2JK-2×1.25 |
31.5 |
||||||||||||
2JK-2.5×1.2 |
2.5 |
1.20 |
83 |
65 |
28 |
843 |
8.8 |
11.2 |
|||||
2JK-2.5×1.2 |
20.0 |
||||||||||||
2JK-2.5×1.2 |
31.5 |
||||||||||||
2JK-2.5×1.5 |
2.5 |
1.50 |
83 |
||||||||||
Single Rope Mine Hoist

Application
This series of products are used in coal mines, metal mines and non-metal mine lifters, minerals, lifting personnel and decentralized materials or equipment, etc., and can also be used for other traction transportation.
Working principle
The motor passes the power to the coil of the winding wire rope through the reducer to achieve the lifting and lowering of the container; slow down by electric transmission; disc brakes are controlled by hydraulic and electrical controls; the depth indication of the container is realized through the position indication system; Through various sensors and control elements composed of machine, electricity, liquid joint control system to achieve the monitoring and protection of the entire machine; through computer and network technology, information transmission inside and outside the hoist is realized.

1. Sheave
2. Steel rope
3. Containers
4. Tail
5. Spindle device
Working principle of single rope mine hoist spindle device
1. Rope adjusting device 
2. Main shaft
3. Roll
4. Main bearing shaft
5. Lubrication station
6. Disk depth indicator transmission
7. Lock Brake
8. Disc Brake
9. Square depth indicator
10. Bevel console
11. Motor
12. Spring coupling
13. Reducer
14. Speed measuring generator unit
15. Gear coupling
16. Disk depth indicator
17. Hydraulic stations
Complete supply range
Main machine, sheave device, Different forms of consoles, depth indicator, hydraulic station, lubrication station; electric drag and control system, information transmission system; At request of users, Other specifications can be produced to meet the needs of users.
JK Series Single-rope Mine Hoist Technical Parameter Table
Model |
Drum |
Tension |
Tension |
Rope |
Lift height (m) |
Max |
Reduce |
Motor |
|||||
No. |
Dia |
Width |
1-layer |
2-layer |
3-layer |
||||||||
m |
KN |
mm |
m |
m/s |
r/min |
||||||||
JK-2×1.5 |
1 |
2.0 |
1.5 |
62 |
24 |
305 |
650 |
1025 |
5.2 |
20.0 |
1000 |
||
JK-2×1.5 |
31.5 |
||||||||||||
JK-2×1.8 |
1.80 |
375 |
797 |
1246 |
20.0 |
||||||||
JK-2×1.8 |
31.5 |
||||||||||||
JK-2.5×2 |
2.5 |
2.00 |
83 |
28 |
448 |
945 |
1475 |
5.0 |
20.0 |
750 |
|||
JK-2.5×2 |
31.5 |
||||||||||||
JK-2.5×2.3 |
2.30 |
525 |
1100 |
1712 |
20.0 |
||||||||
JK-2.5×2.3 |
31.5 |
||||||||||||
JK-3×2.2 |
3.0 |
2.20 |
135 |
36 |
458 |
966 |
1513 |
6.0 |
20.0 |
||||
2JK-2×1 |
2 |
2.0 |
1.00 |
62 |
40 |
24 |
182 |
406 |
652 |
7.0 |
11.2 |
||
2JK-2×1 |
20.0 |
||||||||||||
2JK-2×1 |
31.5 |
||||||||||||
2JK-2×1.25 |
1.25 |
242 |
528 |
838 |
11.2 |
||||||||
2JK-2×1.25 |
20.0 |
||||||||||||
2JK-2×1.25 |
31.5 |
||||||||||||
2JK-2.5×1.2 |
2.5 |
1.20 |
83 |
65 |
28 |
843 |
8.8 |
11.2 |
|||||
2JK-2.5×1.2 |
20.0 |
||||||||||||
2JK-2.5×1.2 |
31.5 |
||||||||||||
2JK-2.5×1.5 |
2.5 |
1.50 |
83 |
||||||||||